MSEditor V2.0 Mass Spectrometry Editor

Automated Data Reduction System

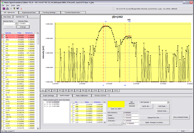
Highly sophisticated data reduction system for gas-mass-spectrometry. Capable of detecting ghost peaks and perform limited peak deconvolution. All built with an emphasis on high performance and small IT foot print (no installation of software required, just copy executable).

Peak Deconvolution Made Easy

Easy to use user interface allows manipulation of detected peaks and changes/removal/introduction of secondary peaks and see the results in real time. Spectrum Analysis was never that easy.

Molecule Specific Settings

For each molecule sensitivity settings for a dedicated detector and mathematical algorithms for trending (e.g. linear regression) can be chosen to fit your specific project needs.

Data Security and High Performance

For highest data security standards an Oracle database is used for all data storage. This enables you to continue your work on any other computer connected to the database without the need to transfer personal settings or to remember previous steps.